
点钞机是一种自动清点钞票数目的机电一体化装置,是集计数和辨伪钞票的机器,具有高集成度的MCU微处理器,TMR磁传感器,支持多种检测方法的IrDa和显示计数器OLED等组成,可进行语言提式,适合酒店,银行,商场等场所使用。

点钞机方案图
萨科微的SL7824是一个三端稳压器,其输出电流高达1A,固定输出电压可为5V、6V、8V、9V、10V、12V、15V、18V和24V,拥有热过载停机保护以及短路限流。这些也使得SL7824可以适用于开关电源,母板等领域。
主要特征
静态电流:8mA
最大输出电流:1A
压降:2V
工作温度:-20~150℃
优势介绍
短路电流限制
热过载停机保护
输出晶体管SOA保护
应用领域
主要应用于高效线性调节器,开关电源的后调节,微处理器电源,母板等领域。
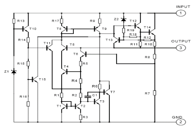
结构框图

END
声明:本文为用芯盒子原创,如需转载请联系我们。邮箱:info@yongxinhezi.com
