
指纹Key是以主控MCU为核心,存储器存放指纹数字模板及认证信息等。
指纹采集器采集指纹输送给MCU,USB控制器用于连接PC端与MCU的通信,进行验证和对比操作,所有的操作则需要统一的时序控制。安全验证加密IC用于保障用户信息的安全。
目前网络身份认证方式分为单因子认证,双因子认证以及多因子认证,因子越多安全性越高。

指纹Key方案图
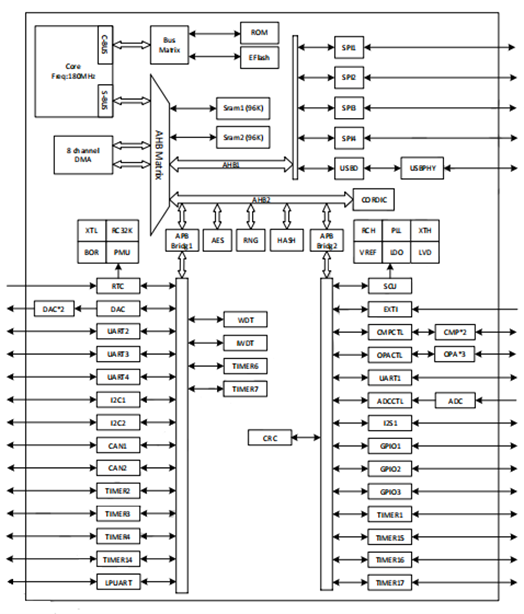
上海爱信诺航芯的ACH512-LQFP100是一款基于安全算法的高性能SoC芯片。其主要应用于eMMC,SD,Nandflash大容量存储设备、加密U盘、指纹识别等市场。
芯片采用32位内核,片内集成多种安全密码模块,以及RSA/ECC、ECDSA、DES/3DES、AES128/192/256、SHA1/256/384/512等安全算法。芯片提供了多种外围接口,这也使得其适用于多种场景。
主要参数
工作电压:1.68~5.5V
接口类型:USB、UART、SPI、I2C、7816、MIM、eMMC/SDIO、nandflash
工作温度 -40~85℃
优势介绍
片内集成多种安全密码模块
提供多种外围接口
拥有丰富的外设
支持MPU用于提升应用安全性
应用领域
主要用于高速Key,指纹Key,金税盘,手持POS机,TF/SD卡车联网终端等。
结构框图

END
声明:本文为用芯盒子原创,如需转载请联系我们。邮箱:info@yongxinhezi.com
